图知网
搜索
首页
热门推荐
图片分类
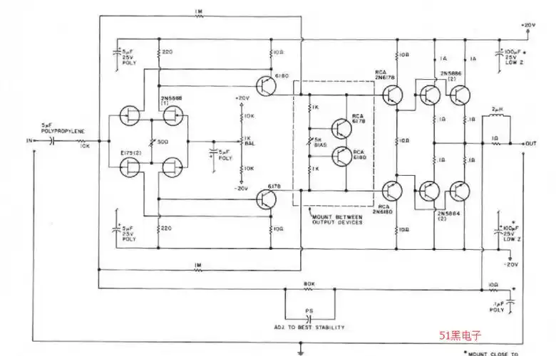
采用三极胆制作的单端甲类功放-其他光电实用电路图-电子产品世界
下载原图
相关图片
秀一下自己设计的全对称互补功放欢迎大侠高手拍砖
纯甲类直流功放电路
纯甲类功率放大器电路的详细介绍和设计说明
超甲类功放电源电路
功放电路3pass甲类功放电路图pass纯甲功放电路图passa3功放电路图
marklevinsonjc3甲类功放电路图
为你推荐
黄子韬exo
专柜正品 京润珍珠美白焕颜亮肤珍珠水150ml美白保湿柔肤水爽肤水
预算20万左右买纯电动suv,大众id.4 crozz和aion v谁更值得选?
樊振东超话#樊振东减肥演我#论小胖与熊猫的适配度 (图源网络,侵删)
雪鸮表情包
非洲黑檀古伊苏木原木进口板
康乃馨塑料花假花仿真花摆件客厅摆设室内落地装饰花绢花花束插花
庞巴迪brp can-am全地形车2024新品体验 纯粹野趣/天然乐享_搜狐汽车