图知网
搜索
首页
热门推荐
图片分类
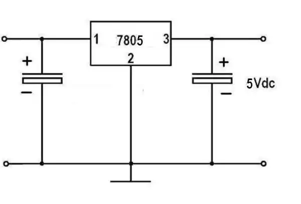
三端稳压器lm7805电路图_lm7805电压/电流范围
下载原图
相关图片
7805系列封装区别和选型区别
7805稳压电源电路图
我想用一个7805.可我不知道怎么接二极管.可以交给我怎么接这个线路吗
7805管脚图
7805稳压的完整电路图
cx7805
为你推荐
超实用怼人表情包丨呵呵真是令人发笑呢
网络十大丑男照片网上很火男丑照欣赏爆照专用丑男照
超高防水台高跟#女王的高跟鞋 #御姐风细跟高跟鞋太绝了 #穿 - 抖音
大曝光丨遂昌电动自行车消防安全隐患曝光(第二期)
目前广地龙人工养殖前景如何呢?
手绘卡通庆祝新年春节彩色烟花发光元素
河城码头
纸盘画作品展示