图知网
搜索
首页
热门推荐
图片分类
浪涌保护器工作原理解读-流体机械资讯频道
下载原图
相关图片
sc8205a音频功放芯片 原装现货 稳定供应
8205a6,8205a8双nmos管,适用于锂电池保护板 - mos管芯片 - 深圳市
8205a68205a8大小封装的双nmos管
代理8205a6芯片,原装现货,技术支援
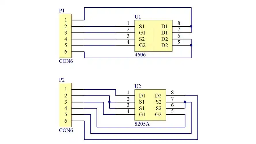
测试两款集成功率mos芯片: 4606,8205a-csdn博客
gts8205芯片性能及参数介绍
为你推荐
孤独在左影子在右
旧漫画复古女孩头像.#图片来自网络 #短发 #绝美 #好图分 - 抖音
上海第一豪宅檀宫91亿的庄园别墅
聚春园百年品牌福州肉燕福州特产250g云吞太平燕馄饨聚春园肉燕1包
电锯惊魂9:竖锯2海报封面
两会】县委书记吴海燕参加县政协委员文学艺术组,无党派组讨论-睢县网
【可口可乐(cocacola)碳酸饮料】 可口可乐sleek can330ml【价格 图片
共青团清镇市委志愿服务队