图知网
搜索
首页
热门推荐
图片分类
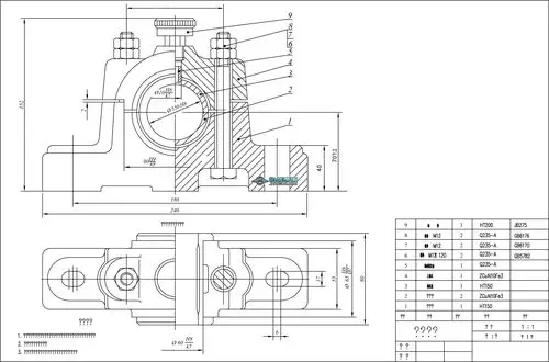
jh-20回柱绞车的机械设计【含cad图纸 文档】_装配图网
下载原图
相关图片
夹具装配图pdf
滑动轴承装配图下载(33.19k,rar格式) 机械cad图纸
数控卧式镗铣床换刀机械手(链式刀库)4月27
机械制图之装配图一
机械课程设计装配图
零件的机械加工工艺及夹具设计【钻φ30孔】【说明书 cad】_装配图网
为你推荐
武士壁纸,高清图片 - 壁纸更好
黑白男漫头 个性好看的高清黑白动画头像男_男生动漫头像_头像屋
国际奢侈品牌商标 国际奢侈品牌商标有哪些
心好痛好痛,活着真的太累,好想出去走走,忘记所有不开心的事#人生百味
乔丹私人训练师:我如何助科比成为传奇;选秀后拒绝派对选择训练
零食油画壁纸
三国志14孙策背景故事是什么孙策历史背景分享
梅赛德斯奔驰 2018改款e200l 立标 18年11月 - 抖音