图知网
搜索
首页
热门推荐
图片分类
奥克斯空调有五条线怎样接外机
下载原图
相关图片
格力空调外机接线图解
海信kfr2608gwbp的外机电路图
美的空调室外机线怎么接啊
空调外机接线处电源信号线接法
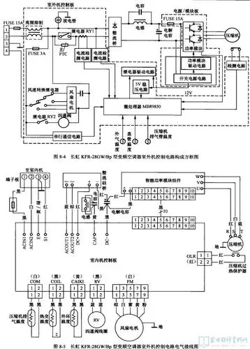
长虹kfr-28gw/bp型变频空调室外机控制电路电气接线图
详解单相三相电空调器室外机电气接线图
为你推荐
图4 海南省城镇老旧小区改造工作流程图(参考)(二)拆除重建类城市更新
这就是中国人的2021
超清壁纸4k竖屏,4k超高清手机壁纸 - 冷求网
摩托罗拉magone a8i商用数字对讲机;正品
湖南电视台娱乐广告招商快辑ppt
动漫英雄人物蝙蝠女batgirl插画欣赏2
枉凝眉古筝简谱②
儿童科学实验玩具科技创意益智发明diy手工制作材料电动滑翔飞机