图知网
搜索
首页
热门推荐
图片分类
进口摩托车电路图
下载原图
相关图片
豪爵摩托车钻豹hj125-a电路图-普通型
摩托车电路图总汇
摩托车全车电路
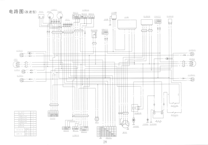
豪爵摩托车钻豹hj125-a电路图-改进型
雅马哈xjr400摩托车分解电路图
求个vr150电路图 - 豪爵铃木-踏板车讨论专区 - 摩托车论坛 - 中国
为你推荐
头像侧脸
草药之王牛膝草
枯叶蝶
桑葚干泡水喝,6个好处让你受益无穷,但饮用时得注意4点
好物推荐9块多一个的透明鞋盒
【大药房直发】苗妙坊苗方藓痒尽乳膏皮肤外用苗药癣痒净草本软膏
儿童玩具益智积木叠罗汉叠叠乐多米诺小丑马戏团竞技挑战游戏叠叠乐
所示是汽车四冲程发动机的一个冲程示意图,在活塞向上运动的过程中