图知网
搜索
首页
热门推荐
图片分类
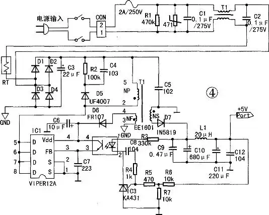
具有51v5v12v和12v输出的电脑主板电源电路
下载原图
相关图片
这是一个典型的电源电路,现在各部分模块功能基本了解
20w开关稳压电源电路图
技术视点明纬12v开关电源电路原理分析
用lm317制作简易电源电路
新人求教:开关电源电路?
开关电源-其他电源电路图-电子产品世界
为你推荐
2021年夫妻借22万做试管喜得双胞胎一年后怎么样了
招财花朵头像图片大全【点击鼠标右键下载】
这些科技范儿的漂亮小屋
吴静女儿情吉他谱c调吉他独奏谱
35吨吊车新款频出,2019谁将赢得市场青睐?
tanghaijiao0815
莲善堂全铜弥勒佛摆件招财笑佛大肚弥勒佛像客厅佛堂供佛工艺品乔迁
纵向卧铺动车亮相每个铺位空间独立