图知网
搜索
首页
热门推荐
图片分类
有人入过穷籍,有人还是顶流_范文芳_郭妃丽_因为
下载原图
相关图片
郭妃丽老公个人资料 嫁给了个澳洲老外
她第一任男友黄静波,第二任男友陈国富,44岁嫁入豪门很幸福!
名字,可能她在剧中角色名字"何仙姑"更出圈,相比前两位郭妃丽和范文芳
嫁给爱情|成龙|范文芳|小龙女|李若彤|刘亦菲|李铭顺|郭妃丽_网易订阅
程莉莎和郭晓东.jpg
43岁于月仙与老公亲密合影 男方扎小辫搞怪
为你推荐
潘婷洗发水 摄影修图 x 是觉摄影 - 是觉摄影 - 图虫
蓝色妖姬玫瑰花语:清纯的爱 敦厚善良 和稀世真爱 每一朵蓝色
gld2-40a sld2-40a主控开关 负荷开关 负载断路开关 万能转换开关
标题:塔公佛学院
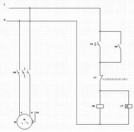
时间继电器自锁接线图
卡通可爱橙色小卡车
大疱性类天疱疮bullouspemphigoid症状表现
er50-6气体保护实心焊丝|价格,厂家,图片_商虎