图知网
搜索
首页
热门推荐
图片分类
十个精细全波整流电路图讲解
下载原图
相关图片
并联型12脉波整流电路
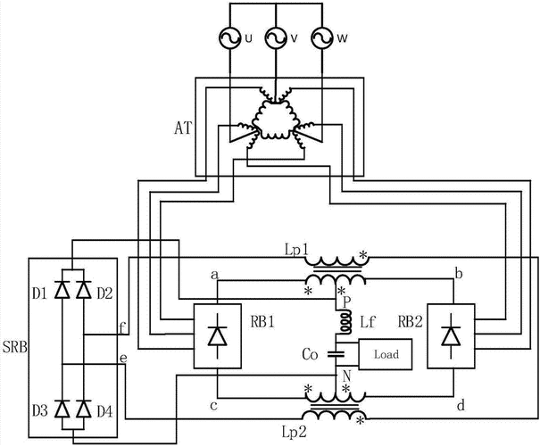
一种无源补偿低谐波十二脉波自耦变压整流电路制造技术
半波整流电路
改进型等值12脉整流变压器的制作方法
只需5分钟,轻松学会全波整流电路设计技巧!
图3b是两组三相桥并联组成大电流的十二相整流电路.
为你推荐
唯美励志文字壁纸
宋茜靠着哪吒头卖萌,这么萌的发型了解一下!
最近涂鸦字体合集
小户型合理利用空间 我喜欢这样哒
能不能给一个历代jojo替身图鉴? - 知乎
卤水拼盘
无比伤心的哭泣女生图片
宕昌手动千斤顶的视频指导