图知网
搜索
首页
热门推荐
图片分类
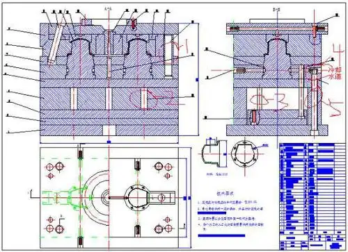
喷水织布机储纬器
下载原图
相关图片
s6问题科普贴
cn105177830b_一种喷气织机用节能储纬器有效
cn106350926a_一种拘束飞行的电子储纬器有效
一种储纬器
黄维(模具厂家)
无张力储纬器的制作方法
为你推荐
一个人坐在海边的女生背影图片
古风七仙女之蓝衣仙子 大家给她取个好听的名字.
中国青年网资讯
三种人不宜挂五帝钱(五帝钱的正确挂法及使用方法)
【六孔陶笛】送别_哔哩哔哩 (゜-゜)つロ 干杯~-bilibili
瓦尔特· 格罗皮乌斯和德绍包豪斯大楼(1925—1926 年),建筑图,初稿
小黑鱼向costco看齐会员制消费是掳获2亿中产的新利器吗
堵奶71少奶71漏奶尴尬7105方法用对轻松解决