图知网
搜索
首页
热门推荐
图片分类
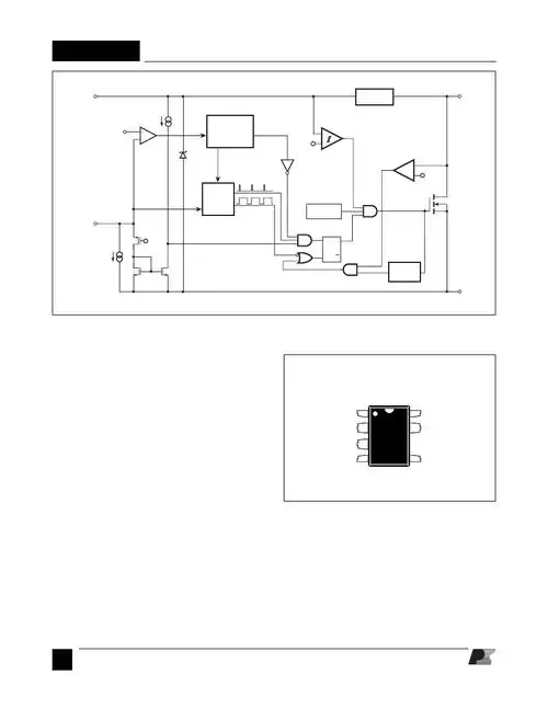
应用powerintegrations推出的lnk562dn离线式开关为7v014a供电电源的
下载原图
相关图片
lnk626pg钳位电路资料参数
lnk562pn-tl 参数 datasheet pdf下载
stc89c52引脚图及引脚功用阐明2020年9月18日阅读(158)stc89c52引脚图
lnk562dn-tl_引脚图_电路图(2/10)_power - 万联芯城
地电位,我不明白的是那个31v是如何得到的,刚学着用lnk306dn这款芯片
lnk625pg减少脉冲资料
为你推荐
挑染一撮一般多少钱(挂耳染为什么比全染贵) - 深圳信息港
【曲谱推荐】花海-原调简单版-周杰伦 | 周董的曲子必是经典
刘畊宏:热度褪去后,网红残酷的真相,在他身上表现得淋漓尽致
"女神"方舒:26年前不顾一切嫁给洪屠刚被抛弃,如今老态难辨认
铁腿水上漂帮仆人改名恭喜发财
医疗机构全部设立老年人挂号和就医绿色通道
《高迪的魔力建筑》| 创意美术_建筑_美术_童年_少儿创意美术_母婴
堡垒先锋党旗飘扬筑堡垒党徽闪亮冲在前盐田区卫生健康系统抗疫工作