图知网
搜索
首页
热门推荐
图片分类
眼睛大而凸的女人面相代表什么眼睛看命运全面讲解
下载原图
相关图片
面相看命运_薄嘴唇女人面相命运_五,下颚与命运,健康的关系1,颚与命运
面相手相但是你们知不知道,男生的痣的位置与命运可能会关系到你一生
你知道吗?-面相研究 -易理讲堂
聚龙阁首页 女人面相 面相命运 窑洞风水之说 >> 正文 有一些女人
面相痣的图片大全但是决定不了命运与人生
女痣的位置与命运图,女人面相痣图解大全 高清晰图2
为你推荐
最值得尝试的女发:瘦脸微扣锁骨发,让你挑不出毛病_发型_女性_脸型
酒店情侣写真
治愈系女生头像分享[期待]
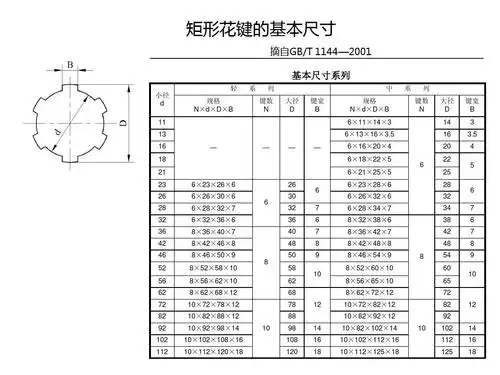
矩形花键的基本尺寸 摘自gb/t 1144—2001 基本尺寸系列 小径 d
分享闺蜜三人组头像
哪位大神可以把它设置成600成800像素jpg图
超高层现代风格办公楼建筑设计方案文本
大地鹰王迪特那dd350e_6c