图知网
搜索
首页
热门推荐
图片分类
傣族民宅及建筑
下载原图
相关图片
傣族特色民居-吊角楼
西双版纳傣族建筑图片
傣族的吊脚楼
历史悠久的傣族建筑,安静质朴充满人间烟火气的傣族村寨,让人来了就想
傣族寺庙寨门大门整套新建修缮东南亚风格泰式建筑修建打造定制
傣族不止版纳有芒市的民族文化一绝
为你推荐
陈思诚与佟丽娅开心带儿子外出游玩,一个身材纤瘦,一个身材发福_腾讯
千古玦尘玄一为什么给雪迎注入魔气千古玦尘雪迎身份
我一个女生脸上长花斑癣可怎么办阿? - 知乎
但係拍子仍然沒有拿捏好09老人家學嘢就係慢啲91#挤牛奶#成人古筝
和气生财烟价格表 和气生财烟多少钱一包_香烟网-健康养生信息网
广元和成·莲花,好久开盘
方舟生存进化恐龙大战49 25只巨齿鲨对战25只帝鳄,谁能赢?
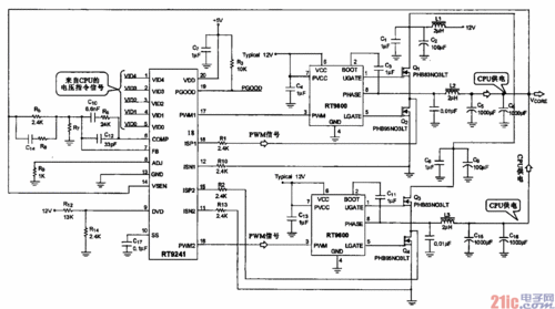
典型计算机主板cpu供电电路