图知网
搜索
首页
热门推荐
图片分类
夹具装配图pdf
下载原图
相关图片
夹具装配图pdf
夹具装配图pdf
夹具装配图pdf
夹具装配图pdf
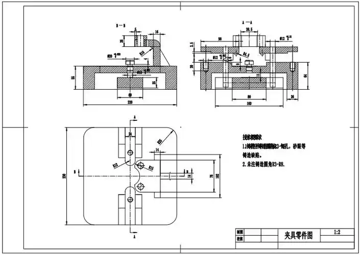
夹具零件图pdf
机床夹具设计实例教程第2版 无 著作 李名望 主编 机械工程专业科技
为你推荐
唐制齐胸襦裙女款中国风坦领复原款仙气唐宫夜宴演出古装唐朝公主
袁洁莹旧照欣赏,欣赏了一遍又一遍,如今很难有这样的短发女神了
5日国内特种合成橡胶产能 有三元乙丙橡胶/异戊二烯橡胶/氯丁橡胶
祖国啊母亲,绿水青山就是金山银山. 人民更幸福,获得满满明
【简谱】国歌简谱义勇军进行曲简谱_word文档免费下载_文档大全
破除噩运,千,破除噩运——锅炉爷爷【by
tweelingen 幸福生活折纸吊灯现代折叠纸灯罩 8 种独特设计和 2 种
丑萌大嘴香肠青蛙90.