图知网
搜索
首页
热门推荐
图片分类
cd4017工作原理详解(cd4017引脚图及功能_内部结构及电路图)
下载原图
相关图片
细致拆解经典芯片cd4017内部结构图和工作原理
cd4017流水灯电路图(六款cd4017流水灯电路介绍)
cd4017工作原理及简单应用ppt
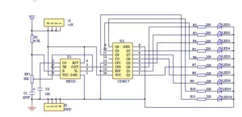
在这里插入图片描述
数字电路cd4017的原理及应用电路-综合文档
cd4017
为你推荐
巨蟹座: 魅惑精灵,妖娆的身姿,迷人的眼神,看一眼就会爱上.
笑容孩子
鬓边不是海棠红 /尹正(商细蕊)二改注明姜诠
佛教全佛图,随喜功德,见者得福
武警叔叔儿童画简笔画
优必选ubtech悟空智能机器人儿童教育编程陪伴早教学习机人形玩具
收纳盒折纸教你立体收纳盒怎么折爱心戒指的折法折纸戒指详细步骤教程
树枝图片