图知网
搜索
首页
热门推荐
图片分类
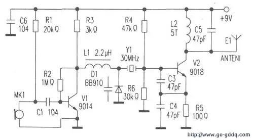
调频无线话筒接收机电路图
下载原图
相关图片
无线话筒电路
话筒电路图(无线)
一种调频无线话筒的制作
无线话筒的电路图
无线话筒电路原理图
微型调频无线话筒电路
为你推荐
分享一张小张张小时候的照片#tnt时代少年团 #张真源 #时代峰峻
《汉语拼音字母表》书写 《汉语拼音字母表》书写
百搭街拍山本风毛边炸街男装韩版潮流西服休闲西装短袖外套潮
我的世界百万幸运方块十个方块赌命结果开出一堆逆天神器
等待 韩磊 歌谱简谱网
今年流行外墙砖的颜色有哪些?这篇文章告诉你!_手机搜狐网
纪实浙江慈溪白骨案女友出轨杀死前男友碎尸藏匿阁楼十年
舍甫琴科完全资料