图知网
搜索
首页
热门推荐
图片分类
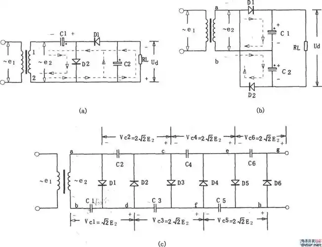
各位师傅倍压电路,是不是各个电容串联起来,而升压的,可以这样理解吗
下载原图
相关图片
介绍倍压整流电路结构的优缺点-文章-基础课-电子技术基础 - 畅学电子
倍压整流电路
电容的应用之倍压整流电路
奇数倍压整流电路b-其他电源电路图-电子产品世界
谁有3倍压整流电路_百度知道
电源倍压整流电路制造技术,倍压整流电路专利_技高网
为你推荐
是v家的一组比心头像! 画师:言寺马川图来源于微博动漫-女生-头像-v家
古蔺产区亮相春糖新质生产力绽放赤水河左岸
原野婚礼/挚爱(红金色主题)
sadayuki宝宝委屈瘪嘴-发表情
商品列表-为宅服务,因宅而生!
08年本田奥德赛mpv [已售]
工人在出钢瞬间的背影
跟我学美术《手绘书皮》白石大师基础0905六下