图知网
搜索
首页
热门推荐
图片分类
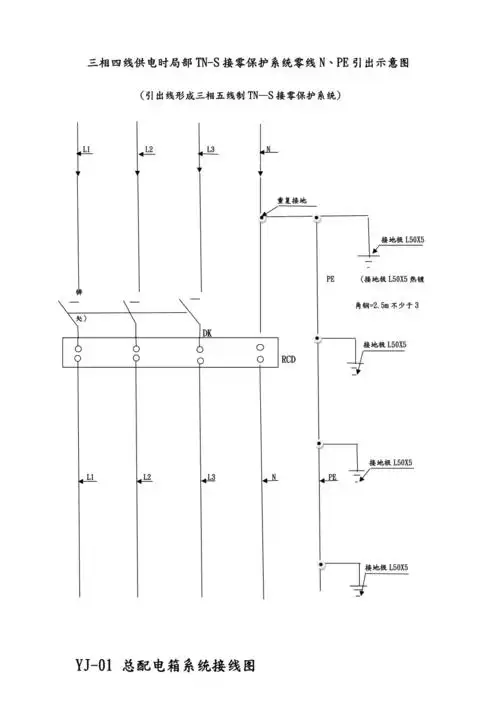
各种临时配电箱系统图(共19页)_第2页
下载原图
相关图片
配电箱系统图
路灯照明配电箱系统图红和黄代表是什么怎么计价
各级配电箱接线系统图
照明配电箱系统图
照明配电箱系统图
配电箱系统图
为你推荐
才艺
幸福咫尺天涯陈意涵soogifsoogif出品gif动图_动态图_表情包下载_soo
2008年7月3日,在父亲死去的地方,王彪跪地痛哭(资料图片).
宝宝眼睫毛倒着长,要不要手术?
电影《发条橙》海报
上游61文荟丨午读丨9种走路姿势揭示了你的性格优缺点,快来对号入座
森林精灵系列插画
酒吧酒水价目表