图知网
搜索
首页
热门推荐
图片分类
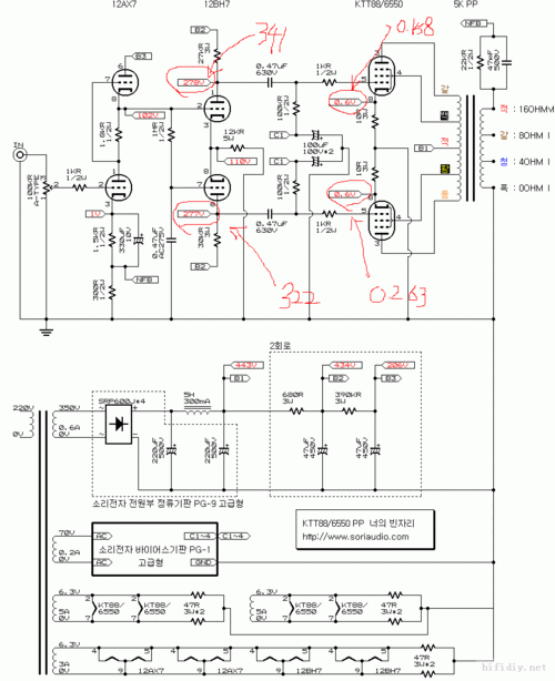
菜鸟刚做完的kt88推挽机欢迎老烧拍砖指教
下载原图
相关图片
讨论:kt88用什么推挽线路好.
记一款kt88推挽放大器制作日志·下
求kt88并联推挽电路图
kt88推挽电路图
新手请教kt88推挽电压问题万分感谢
kt88推挽电路图.jpg
为你推荐
生日
jj贾晓晨惊艳民国旗袍造型:若有气质藏于心 万古人间四月天
《godzilla》|插画|艺术插画|zengxoze25 - 原创作品 - 站酷 (zcool)
中华大虎头蜂 -世界上最大的胡蜂
被绿表情包_微信头像图片大全
valextraiside
足三里:胃经要穴,补脾健胃,生发胃气,增强免疫,艾灸此穴对因受寒或
日本艺术留学必看的东京艺术大学毕业展