图知网
搜索
首页
热门推荐
图片分类
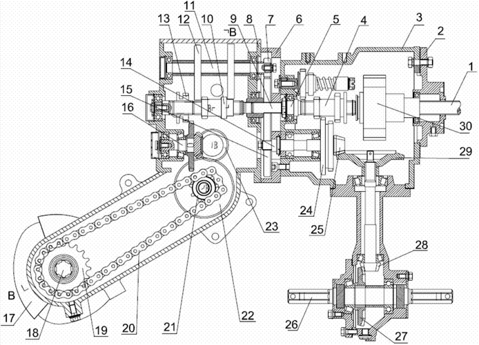
一种微耕机上使用的三挡正反转变速箱的制作方法
下载原图
相关图片
cn103650688a_一种微耕机传动箱有效
齿轮箱作为连接主机与螺旋桨的载体,基本结构分为:输入部件,传动部件
微耕机动力装置的快速拆装结构制造方法及图纸,微耕机变速箱拆装图
微耕机链条机变速箱总成配件500800900型农机齿轮箱传动行走箱900型细
背景技术:slg双螺杆齿轮箱主要用于废旧塑料造粒机主机,适用于pvc料
汽油微耕机链条机配件 500/800/900型 变速箱 行走箱 行变箱总成
为你推荐
央视主持路晨短裙肉丝美腿《一线》
南宁师范大学2022年招生宣传信息
卫宫士郎头像图片大全高清好看的fate卫宫士郎帅气图片头像
三角风
史上最萌的王者荣耀蔡文姬头像(共16张)
突发!g98海南环岛高速一大桥桥面出现险情,已交通管制!
紫气东来楷书书法欣赏
军车就数它威风,泰安航天特种导弹运输车了解一下