图知网
搜索
首页
热门推荐
图片分类
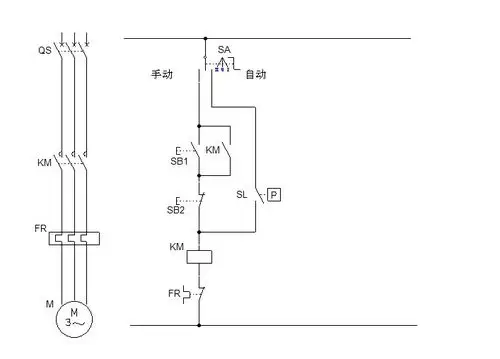
一个浮球阀控制两台电机轮流启动实物图
下载原图
相关图片
浮球开关控制电路图
用一个浮球和一个交流接触器手动自动控制三相潜水泵接线图按照这个
求简单浮球水塔控制图
两个浮球开关控制水泵原理图接线图
求用3个浮球控制2个泵,高水位2个泵同时运行,中间水位1个泵运行,低
浮球水位控制图
为你推荐
a计划续集_购票_剧情介绍_演职人员_图集_猫眼电影
寸头发型帅气十足型男酷帅发型首选
streetfighter v4 s 暗夜黑那对金筷子倒是十分养眼,或许是杜卡迪担心
这样腌制做出来的牛排更美味,方法简单
眼角白癜风早期症状图片
粒粒皆辛苦传送门这里哈哈#手绘临摹 #安琪拉
小草吉他谱乐谱
囍葛东琪c调流行钢琴简谱