图知网
搜索
首页
热门推荐
图片分类
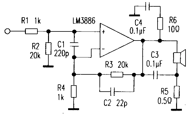
新型功放电路图
下载原图
相关图片
80w简单的功放电路图
求此功放的电路图
lm386功放电路图
lm3886低音炮功放电路
lm3886功放电路的改进
diy250w8对管电流反馈功放
为你推荐
亲密的情侣拥抱在海滩上
管彤与韩红传绯闻41岁结婚42岁高龄生子现在过得怎样
【海叔】a091古装鬼面武士1:64人偶模型手办1:43微缩白模沙盘小人
漫画·儿童画九级-儿童画-美术 - 四川艺术考级网—成都美术考级网
男人地阁有痣
百达翡丽白面鹦鹉螺5711#手表
黑暗中的蜡烛.
关键词:粉色卡通生日宴会背景图 生日 粉色 卡通 可爱 宴会 彩旗 气球