图知网
搜索
首页
热门推荐
图片分类
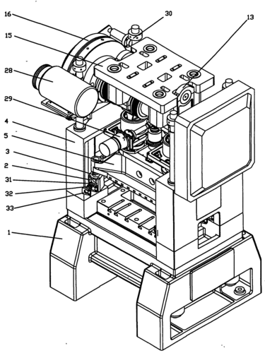
1-1所示为一简易冲床设计方案,试绘制其运动简图,分析其是否具有确定
下载原图
相关图片
机构运动简图简易冲床机械原理简图急回简易冲床机构示意图急回简易
=300mm,l =150mm.以1/4的比例尺画出机构运动简图.
5分钟学习冲床操作规程
cn101497097b_高速精密冲床失效
p1 ph (2 1) 所以该简易机床设计方案的机构不
冲床,就是一台冲压式压力机.
为你推荐
林更新与新女友聚餐,搂着粉丝合影如同最萌身高差
【头像】糖分满满的萌娃 - vivo官方社区
都暻秀图楼独一无二的寸头男爱豆
太平公主时期的周迅##周迅演的太平公主
周岁满月生日蛋糕装饰安妮公主翅膀许愿祈祷睫毛女孩节日装扮用品
泠泠龙娘
【保险盒】现代朗动,领动取电示意
黑龙江地区