图知网
搜索
首页
热门推荐
图片分类
[分享]08j008挡土墙图集资料免费下载
下载原图
相关图片
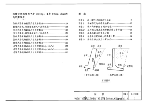
04j008挡土墙图集中每延米钢筋工程量
04j008挡土墙图集pdf
04j008挡土墙第17页xta2配筋
04j008_挡土墙,高清晰版本国家标准图集
04j008挡土墙第17页xta2配筋
挡土墙基础是哪里
为你推荐
但在广大观众的心目中,他最为经典且难以超越的形象依然是那个"李逍遥
高冷霸气十足的女生真人头像高冷御姐范儿女头图片
好看花边ppt背景
手背的丘疹--沙土皮炎_皮炎_病因_用药_治疗方法_发病原因_治疗方式
2022疫情期间通过小学生offer成功换发护照
新鲜藕心菜
儿童颈部反复感染化脓带你了解先天性梨状窝瘘
女生宾馆头像