图知网
搜索
首页
热门推荐
图片分类
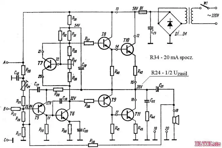
功放电路图
下载原图
相关图片
国产ocl-16d"高传真"老功放电路图
文章观点仅代表作者本人,不代表电子发烧友网立场.
发烧级甲类功放电路图
m22k先锋功放电路图
100w 功放电路图
功放电路图大全二
为你推荐
龙珠 一番赏 沙鲁 漫画色重涂 最终形态
怎样制作立体书?
战神点喊话yy主播给我发微信直接拉黑.
扇形简笔画扇形简笔画图片大全集图案
草豆蔻和白豆蔻如何区分 教你方法
有老板提了红色 cla200 猎装 的图吗?
三个女孩剪影,双手制作心形,背景为日落
寒山寺位于苏州城西古运河畔枫桥古镇,始建于南朝萧梁代天监年间(公元