图知网
搜索
首页
热门推荐
图片分类
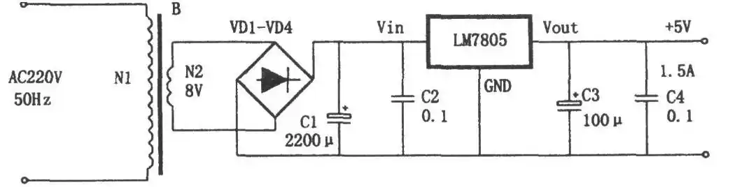
7805制作的5v-12v连续可调稳压电源
下载原图
相关图片
7805稳压电源电路图
可自动关断的5v电源7805
5v稳压电源课程设计
lm78055v稳压电源电路图
电源9伏,怎么用7805把电源弄成5伏? 电路图?
点击查看源网页
为你推荐
奥特曼家族成员名单图带名字,葛雷·奥特曼-图片大观-奇异网
范冰冰夜里发文称李晨没有尽到男友的责任?闹剧一场!网友:珍惜
初代火影 千手柱间
天使纹身图片_手臂欧美写实肖像纹身图案
轻度外痔疮的症状的图片
2022哪些大学招美术生 985211大学有几所
楼下厨房渗水,但是不知道什么原因?
孤独的高峰图片