图知网
搜索
首页
热门推荐
图片分类
干货分享20则电气自动控制电路图可收藏哦
下载原图
相关图片
中国工控28例电气自动控制电路图都是干货快收藏吧
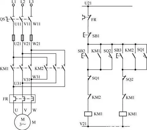
图2-13 自动往复循环控制电路
控制线路: 主电路 手动控制 自动控制
电路串电阻降压启动控制线15自动循环往复控制线路14双电容单相电机
工作台自动往返行程控制电路
干货分享20则电气自动控制电路图可收藏哦
为你推荐
鞠婧祎0618生日快乐
甘肃哪里可以私下交易羊脂玉
烫伤
《燕阳春》首播出彩 传奇女侠置死地而后生
谁能帮我做一个乐的繁体字头像?谢谢了
闺女结婚当天,新郎举动感动丈母娘,这女婿百里挑一!|岳母_网易视频
手上长了类似过敏的东西,有点痒,帮忙看看是什么?能用什么药?
李氏图腾,李是由来,李氏家族谱编修制作.李姓是九黎民族之一的 - 抖音