图知网
搜索
首页
热门推荐
图片分类
简洁大气时尚美发护发发型理发店宣传海报
下载原图
相关图片
海报墙纸 理发店壁画美发店发型造型贴画海报发廊个性染烫装饰画墙纸
时尚黑红色发型设计剪刀美发原创海报
黑金时尚美容美发海报
美发海报头发时尚盘发大波浪定制精剪造型
理发店发型设计时尚大气宣传海报
美发海报设计素材专辑
为你推荐
性感小萝莉萌萌哒自拍秀
社会人qq头像男生炫酷坏坏的样子
交通安全日歌手平安两台联唱观众平安到家最重要
水彩颜料调色盘与画笔主题矢量素材
求好看的壁纸~找了很久都没找到合适的,求推荐浅色图片,屏幕4英寸.
小草简笔画 小草简笔画简单漂亮
喊出我的名字吧!最强形态泽塔奥特曼德尔塔天爪 登场
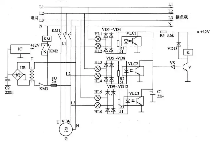
该小型发电机组并网控制器电路由检测器电路,电源电路和控制执行电路