图知网
搜索
首页
热门推荐
图片分类
变频器怎样用转换开关手动自动切换
下载原图
相关图片
【sts开关】静态转换开关类型有哪些
手动自动转换开关
手动自动转换开关
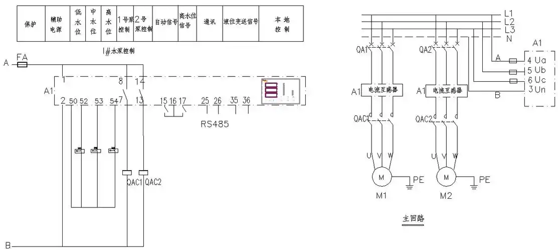
380v接触器,热继电器,水位控制开关 自动手动转换开关把原理图接线图
万能转换开关原理图
利用压力继电器实现对泵的自动启停.
为你推荐
六一班同学群的头像图片青春不散的qq六一班班级群头像
发一张你被点赞最多的照片 严浩翔: - 抖音
lovesick girls blackpink lisa饭拍
演员任重妻子是谁任重结婚了吗个人资料图片
原耽动漫抱胁谁还不是个小天使
消防安全手抄报
卧室选择铺贴了鱼骨纹的木地板,觉得还不错,没有瓷砖那种冷冰冰的感觉
真皮中跟软底透气跳舞女鞋夏天一字扣带浅口牛筋底广场舞舞蹈皮鞋