图知网
搜索
首页
热门推荐
图片分类
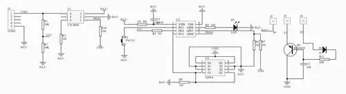
简单电子点火器电路图大全
下载原图
相关图片
掌握高压电教你做一个超酷的等离子电弧打火机可便携充电哟
cn2139660y_打火机的电子点火装置失效
高科技加身现代火折子usb充电打火机拆解及电路解析
打火机的工作原理
工业常用点火机电路-电路图-aet-中国科技核心期刊-最丰富的电子设计
电弧打火机方案控制ic
为你推荐
突传出郑少秋和第一任妻子卢慧茹所生的大女儿郑安仪在美国轻生去世
帅气的男生卡通头像 q版头像 男生手绘头像可爱卡通头像
蒲公英图形态特征和养护方法简介
走好每一步!
陈法蓉愿为刘德华放弃环球小姐选拔陈法蓉不嫁人的原因是什么
【fate/fgo】真名解封!全英灵1秒爆燃!
山羊皮桃花芯木非洲鼓 幼儿园儿童初学非洲鼓 儿童节奏练习手鼓
烘焙真的能给自己带来快乐!