图知网
搜索
首页
热门推荐
图片分类
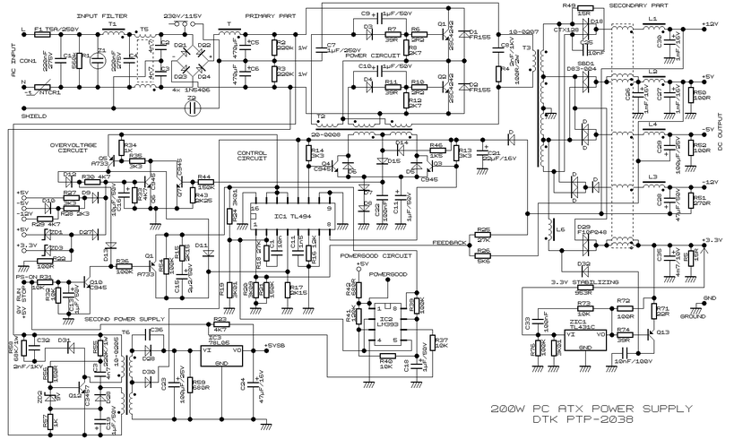
5w开关电源电路图介绍
下载原图
相关图片
24v146a开关电源的电路图免费下载
400w电脑开关电源电路
开关电源电路原理(附原理图)
tl494组成的200w开关电源电原理图-通信综合电路图-电子产品世界
简单易做的大功率开关电源电路图
台式计算机开关电源原理图开关电源电路原理附原理图
为你推荐
天然气灶台简笔画
动漫帅哥头像阳光帅气 阳光开朗大男孩太帅了_男生动漫头像_头像屋
斯蒂芬库里背影稀有壁纸合集|||#库里 #金州勇士# - 抖音
五一| 致敬•最美的劳动者~|司法所|法律_网易订阅
你好鸭_表情包_斗图图片
医院卡通场景
粤教版思品八下3.2《欣赏与赞美》课件ppt.ppt
第392集|牛仔裤女孩系列之姐姐的魅力.#翘臀美臀 #好看的 - 抖音