图知网
搜索
首页
热门推荐
图片分类
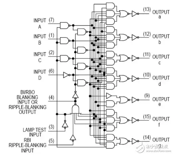
2 74ls248的管脚和功能表
下载原图
相关图片
译码器74ls247作用于功能引脚图真值表应用电路及工作原理
译码器74ls247作用于功能引脚图真值表应用电路及工作原理
译码器74ls247作用于功能引脚图真值表应用电路及工作原理
表2 74ls48的功能真值表
74ls175真值表 课外查资料:了解集成寄存器74ls373与 74ls374. 5
有关74ls11的问题
为你推荐
唐嫣糗大了!86斤穿铅笔裙竟撑到变形,撞上关晓彤简直不能再尴尬
与气候相关的树波与线性风格的空气矢量
双层造型幸福树盆栽多层绿宝大型植物室内客厅北欧风绿植郑州同城
雨水丨如雨如水温柔坚定
约会大作战壁纸折纸鸢一像人偶一样面无表情但却依然深爱这你
一张张工作证见证了飞逝如梭的教师岁月.
1921公布演员阵容黄轩王俊凯等曝光化妆照
装修图,规划图,鸟瞰图,产品图,建筑动画多媒体展示,室内外效果图设计