图知网
搜索
首页
热门推荐
图片分类
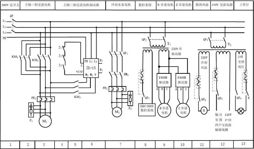
图2-3所示为z3040摇臂钻床的电气控制原理图.2.3.
下载原图
相关图片
电气控制原理图.png
二次回路(3分钟搞懂电气二次回路图)
电动机y-△减压起动电气控制原理图翻译
《数控车床》电气控制原理图,电气柜安装照片
79张电气控制原理图学电气的你快来收藏
电气控制原理图
为你推荐
任重道远中国航母之路忌天马行空局座分析未来
到底要不要给宝宝补钙?
【marc jacobs马克雅各布斯 男士香水】marc jacobs/马克雅各布斯
动漫女孩分享,御姐头像,古风韵味十足2024 #动漫女头# #古风头像
一例重症脉管炎患者的治疗前后对比证据
5g移动图标轮廓风格
江西的简称江才是江西省真正的简称
头像简笔画头像简笔画女生可爱