图知网
搜索
首页
热门推荐
图片分类
引脚图我们在讲解的时候,也是给大家一个通用模板,就像这个电路我们
下载原图
相关图片
稳压管lm7815,lm7915引脚什么排列的?那个是输入,地,输出?
l7815cv 和 l7915cv 的输入 输出 接地 分别是哪个引脚
lm7815 lm7915正负电源 15v 怎么不能输出 15v 图.
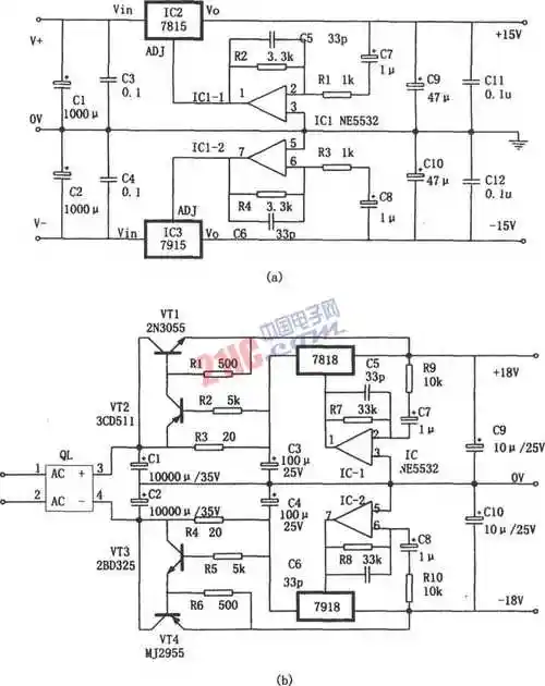
有源伺服电源(7815,7818,7915)
ka7915tu pdf下载及第17页内容在线浏览
> ua7915c (texas instruments, inc.
为你推荐
萌萌小兔子头像图片大全可爱
马克·达珀 marco dapper的图片
清朝北京城的驻防:想造反攻打京师是没那么容易的_护军_制度_大城
人生孤独的领悟的句子孤独与成长的励志说说
父母偏心,心寒到泪目的句子
魔道祖师cos老寒赤兔
太美了99 #蒙古族 #蒙古族帽子 #红珊瑚 #手工帽子 # - 抖音
厦大 南普陀寺 铁路公园 芙蓉隧道