图知网
搜索
首页
热门推荐
图片分类
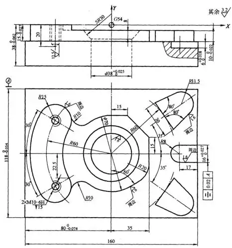
数控铣中级练习图纸板类零件
下载原图
相关图片
数控铣加工中心图纸
数控铣,加工中心图纸(1)
数控铣,加工中心图纸(1)
数控铣加工中心图纸1
你可能喜欢 数控加工中心 数控加工试题 数控车图纸 数控铣床加工中心
免费文档 所有分类 工程科技 机械/仪表 数控铣床高级操作题库答案
为你推荐
银行存款余额调节表模板
路透##任嘉伦流水迢迢白衣古装路透#任嘉伦白衣古装造型也太好看了吧
刺客伍六七第三季:阿七人格被抹除,阿柒回归,四大暗影刺客混战
线稿练习
莱昂纳多 小李子
据英国《每日邮报》7月27日报道,逊尼派极端组织"伊拉克和黎凡特
简单了头发长的姐妹,用黑卡子再固定下哦~#扁头少女自救 #今日发型
孤独一人的女子背影图片