图知网
搜索
首页
热门推荐
图片分类
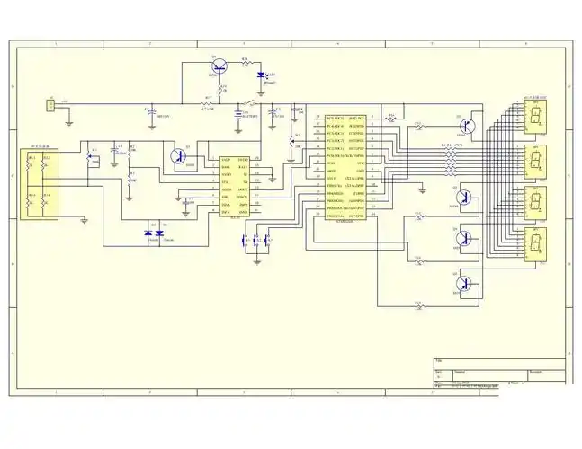
电子秤原理图
下载原图
相关图片
体重秤原理图
如图所示是某电子秤的结构示意图,其中p是一个可以
有电子秤原理图么?清晰点的 呵呵 谢谢
是利用弹簧的伸长个受到的拉力成正比的原理制成的.如图
如图所示为某电子秤的结构示意图电子秤的刻度盘是一个
12分如图所示为某种电子秤的原理示意图ab为一均匀的滑线电阻阻值为r
为你推荐
纪凌尘在看到宁静大嫂的丈夫死后,觉得机会来了,趁机向宁静表白(以
实木床2米2.2米大床
学生头发型,才是女生最美最好看的发型,减龄瘦脸显气质不过时
期待一场雷雨即将登陆普陀文末有送票福利哦
女粉色韩版中长款马甲
6月10日是「黑子的篮球」木吉铁平的生日 95#黒子的篮球##木吉铁平
祠堂大门口楹联撰写非常有意义.
世界最大的热带雨林区