图知网
搜索
首页
热门推荐
图片分类
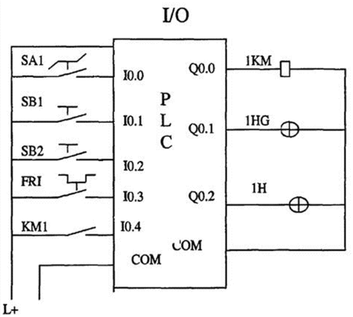
哪位大侠帮忙分析下这张plc电气控制图的工作原理吧
下载原图
相关图片
plc恒压供水装置 电路图
电动弧形阀控制柜plc系统配置图
ym3150e型滚齿机的控制系统的plc改造【含cad高清图纸和说明书】【jc
一种用plc改造放焦刮板机的电气控制系统的制作方法
电气plc
plc控制电路梯形图设计
为你推荐
2011年,刘猛导演的电视剧《我是特种兵》播出了,谷智鑫作为男主角
十二星座的公主图片卡通图片
宝格丽(bvlgari)serpenti seduttori鎏光蛇影 腕表103949
凉颖:霸气御姐风女头‖别拿我的热情当水喝_女生头像_我要个性网
led日光灯管-t8一体化v形日光灯 教室办公室厂房灯具 高亮度节能灯管
四人闺蜜头像
不是因为寂寞才想你麦兜兜
角色妲己临摹练习|插画|游戏原画|八戒懂点 - 临摹作品 - 站酷 (zcool