图知网
搜索
首页
热门推荐
图片分类
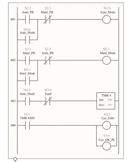
电机控制plc配置图3,实现电机控制的梯形图四,plc实例—恒压供水1,恒
下载原图
相关图片
plc电机正反转梯形图 梯形图电机正反转自动运行plc编程
求助,plc红绿灯编程程序,梯形图,pc主机i/o分配图
梯形图实例西门子plc控制花样喷泉形式编程实例
梯形图逻辑是最常用的plc编程,与继电器电路图最为相似.
用plc指令,梯形图设计电机顺序启动
3,plc点动 自锁控制梯形图(动画版)
为你推荐
温馨甜蜜情侣
桌布复古手工钩针花花边圆桌旗70cm家居装饰定制桌布
图案| 品味老祖宗留下的纹样,领略中国传统文化的独特
梅花三弄简谱
力荐:12x10米农村自建房图纸几套,保证看了喜欢_盖房知识_图纸之家
仕女图线稿一
《孤胆特工》发中文版海报- 元斌来华诠释暴力美学(图)
婚庆道具水晶路引方柱亚克力甜品台摆件 t台梦幻婚礼主题装饰道具