图知网
搜索
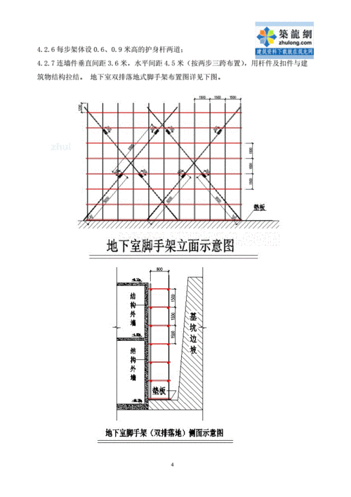
首页
热门推荐
图片分类
[福建]住宅楼落地式双排脚手架施工方案(专家论证 附图)
下载原图
相关图片
[安徽]高层综合楼双排落地式脚手架施工方案.doc 26页
2023落地式双排钢管脚手架构配件要求及安全管理要点来看看央企总监
双排落地式脚手架搭设宽度为多少
落地式脚手架施工方案
[北京]大学科研楼脚手架施工方案(双排落地,悬挑)
2017年整理新落地式双排脚手架施工方案doc29页
为你推荐
引网友众怒|王源|四少|王俊凯|易烊千玺|刘志宏(音乐创作人)_网易订阅
挂耳染
高清一眼就会心动的女生头像图片
卡姿兰小夜猫粉底液##卡姿兰小奶猫粉底液##卡姿兰品牌代言人刘宇
高清好看的光遇头像双人一对两张图片
从国际空间站上拍摄的照片来看新西兰北岛所呈现的地理事物
《穿盔甲的少女》视频圈子-《穿盔甲的少女》演员及剧情热门动态-爱
五羊本田全新踏板车公告放出动力平台升级外观酷似lead