图知网
搜索
首页
热门推荐
图片分类
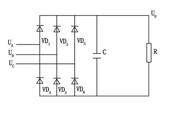
三相桥式全控整流电路的工作原理
下载原图
相关图片
三相桥式整流电路示意图
三相整流桥带制动igbt和快速二极管
变频器的整流部分三相桥式整流
三相桥式整流波形图是什么样的 - 云知
三相整流桥线路图原理图是怎样的
三相桥式整流电路
为你推荐
陈立农&蔡徐坤
可爱的蓝胖子#头像# #微信头像# #哆啦a梦
罗布奥特曼
小兵仔简笔画
借鉴奥迪rs设计元素德国man发布新一代旗舰卡车的限量车型
白色背景上的桃子成熟的桃果实,绿叶,白色背景隔离
画室环境.#少儿美术教育 #画室环境 #机构#最美画室 - 抖音
奥特曼中五个不死神兽,一个被人类消灭,第三个至今未死!