图知网
搜索
首页
热门推荐
图片分类
核废水入海,快乐星球还能快乐吗?
下载原图
相关图片
福岛快乐水
快来干了这杯福岛快乐水
任豪#不会说话请闭嘴
网友火力全开钟睒睒回应争议攻击农夫山泉搞臭首富也没用
福岛快乐水问题不大你喝一口
第一2021年6月,农夫山泉还陷入了饮料中"添加日本福岛进口白桃"的争议
为你推荐
jay颜值巅峰时期 真的好帅啊家人们好奶啊年轻的杰伦
秦岚穿的这款红色礼服裙虽然属于简单的纯色礼服款式,但整件款式的
jordan brand服装logo
今日直播下午1530海南小歌手直播微歌汇海口万达广场
【凡柯|林凡x陆柯燃】琥珀色浪漫(青你6-8期糖点cut 踩点练习)
回顾三国演义才发现剧中女演员们个个大有来头
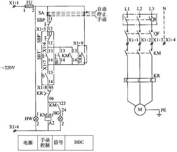
常用风机控制电路图的识读
领克03 |19*8j.其实哑枪灰也是一个比较百搭的颜色,不 - 抖音