图知网
搜索
首页
热门推荐
图片分类
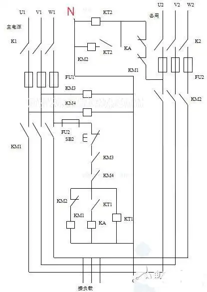
电路达人帮我做个双电源自动切换电路
下载原图
相关图片
双路电源自动投切电路原理
双路电源自动投切供电电路一
双路电源自动投切供电电路二
双电源切换系统
双电源自动切换原理图
cn205123396u_一种变电站直流双电源自动切换装置失效
为你推荐
颜值爆表紫色系马自达rx7高桥凉介座驾
灿烂笑容
哈勃太空望远镜拍摄的12张震撼人心的宇宙照片
全球文化产业峰会开启 高以翔现身全英文演讲
a4横线稿纸模板可直接打印a4线条纸
亚克力座位牌桌牌立牌席卡v型台卡会议牌三角双面台签架展示透明嘉宾
原耽推文你要的狗血虐文这里都有
万宝路黑冰爆珠口感评测-香烟网