图知网
搜索
首页
热门推荐
图片分类
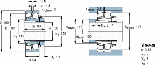
调心滚子轴承22218ccw33电厂热风机钢厂轧机用耐高温调心滚子轴承江苏
下载原图
相关图片
22218 ek *轴承尺寸参数图
供应1318k 22218cak/w33 h318轴承和紧定套 hrb轴承 lyc轴承
skf 22218ek轴承
22222ccw33耐高温300度调心滚子轴承钢厂锅炉瓦楞机专用江苏鲁岳耐
skf 22318ek h2318轴承,-球面滚子轴承尺寸,22318ek h2318*价格-轴承
asahi轴承规格说明,尺寸
为你推荐
郑元畅云之凡剧照图片
肤白貌美说的就是赵露思本人吧!你们觉得呢?
奥特曼怪兽糖果故事
北屯新疆1000克永津五香原味南瓜子瓜子特产散货瓜子
金数据助力成都经济和信息化局实现"散乱污"工业企业整治督查工作
李佳琦侧颜惊艳热搜这些男明星凭什么能被夸古风美男
黄曼黑白质感大片曝光 舞姿优雅展柔美身段
gucci晚宴出图,田曦薇,白鹿半身照绝美,全身照丑得两眼一黑_腾讯新闻