图知网
搜索
首页
热门推荐
图片分类
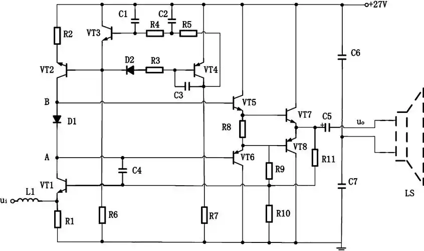
im3886功放工作原理2.im3886功放电路图1.
下载原图
相关图片
100w 功放电路图
[分立后级] 求个 -70v甲乙类功放电路图
一种叠加超音频信号消除交越失真的功放电路
高士av-338e放大器主声道功放电路
简易100w功放电路图八款100w功放电路图全文
metlmx3202专业功放电路图
为你推荐
鹳雀楼台 金波碧浪 吉大慧谷二年十四班 《登鹳雀楼》诗配画
月涯泉桶装水贴图片
一个师傅仨徒弟(白龙马)智能简谱动画片《西游记》主题曲
青海塔尔寺净化心灵普度众生的圣地
关于泡泡的童年"白日梦" 2017年5月13日-5月14日 『奇幻泡泡体验馆』
花园漫步旅游logo设计
高新区门户节点及华贯路,丰源路景观提升工程开工建设_火炬路_华中路
697 怪颚龙 - 宝可梦 - 宝可梦图鉴 - 精灵宝可梦剑·盾