图知网
搜索
首页
热门推荐
图片分类
枪口特写
下载原图
相关图片
警察人生之——枪口
特写图像的枪口在春天阳光明媚的背景
就是拿枪口对着屏幕.求啊.要做手机屏幕
只属于男人的武器:沙漠之鹰,枪口动能3250焦耳
枪口的特写图像.
"齐射"德林杰手枪枪口特写
为你推荐
澳门咀香园#月饼拍摄
拥有阳光的心态
球长体育4月3日讯 今日,黄蜂主帅詹姆斯-博雷戈接受了媒体采访.
大家有没有横屏的动漫壁纸
常戎
水龙头图标
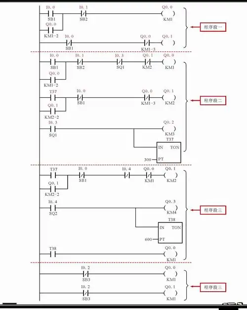
最终获得的plc梯形图程序,如下图所示.
st64射钉枪 木工装修气动钢钉枪排钉抢混凝土水泥线槽气钉枪 st64强力