图知网
搜索
首页
热门推荐
图片分类
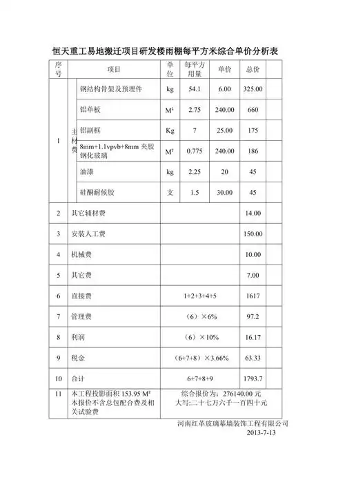
计算; 2,报价中包含钢结构雨棚的全部材料及费用(包括但不限于材料费
下载原图
相关图片
恒天重工项目钢结构雨棚报价表
钢结构雨篷报价表
玻璃雨棚报价表
伸缩式防雨棚移动推拉蓬折叠篮球篷户外防疫帐篷】价格_厂家-中国供应
钢构雨棚单价分析表
分析 第1页 (共2页,当前第1页) 你可能喜欢 综合单价分析 雨棚计算
为你推荐
美少女战士 人物美图 第2期 _ 天天爱动漫-天天娘 _ 哔哩哔哩相簿
杨洋的q版简笔画
苏泊尔supor电饭煲2l智能迷你型玲珑小电饭锅智能预约小型便携13人
薛之谦qq头像超清 超清好看的薛之谦帅气头像图片
摩托车闯关游戏下载单机版_摩托车闯关小游戏大全_摩托车闯关游戏手机
【汉服发型】简单十步 小白也能梳出百搭又好看的汉服发型
参天大树雄伟壮观气势磅礴难得一见
物理公式,并对学校董事会的现象.手绘 il照片