图知网
搜索
首页
热门推荐
图片分类
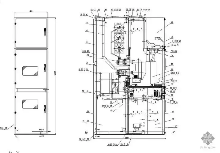
馈电柜总装图抽屉柜总装配图低压配电单元组合柜低压配电单元组合柜
下载原图
相关图片
各种高低压配电柜装配图
低压开关柜装配图
某医院配电工程4台高压柜电气图纸
配电柜装配图
ggd型交流低压配电柜总装配图cad图
厂家供应gck低压抽屉式进线出线开关柜成套成套报价来图定制
为你推荐
创意海报设计,个个精彩
中文名:徐峥别名:徐山争,山争哥国 籍:中国民族:汉族出生地:上海生 日
学生用一颗颗小珠子拼出了一件件可爱的作品
楝树花开首发
人物画全身
供应供epe高压发泡再生料-塑料包装产业网
博士帽书卷毕业蛋糕装饰前程似锦未来可期男孩女孩蛋糕甜品台摆件
宫商角徵羽轻舞修裾起梦长安大唐迎宾盛礼邀您共赏盛唐风韵