图知网
搜索
首页
热门推荐
图片分类
2致敬抗洪救灾英雄手抄报抗震救灾手抄报
下载原图
相关图片
94#防汛 #防汛手抄报 #防汛抗洪
防洪防汛手抄报
一条路》 高金雅同学的朗诵《抗洪英雄》 宋雨娴同学的手势舞《听我说
抗洪救灾手抄报 抗洪救灾手抄报图片
抗洪救灾手抄报
防洪防汛知识手抄报
为你推荐
北冥有鱼,其名为鲲
【bf澳美】澳能卤米松乳膏 10克 牛皮癣
超轻粘土美食第一波 今天弟弟的幼儿园老师在群里问哪些巧手的家长
我校团委举行254名新共青团员入团宣誓仪式
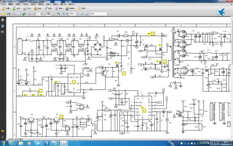
海尔l42a8ajsk4260050电路图
在这部电视剧《人世间》中,殷桃和黄小蕾两位女演员的出色表现让人
硬笔书法——十五夜望月
影视女星赵丽颖写真集:盛世美颜小仙女