图知网
搜索
首页
热门推荐
图片分类
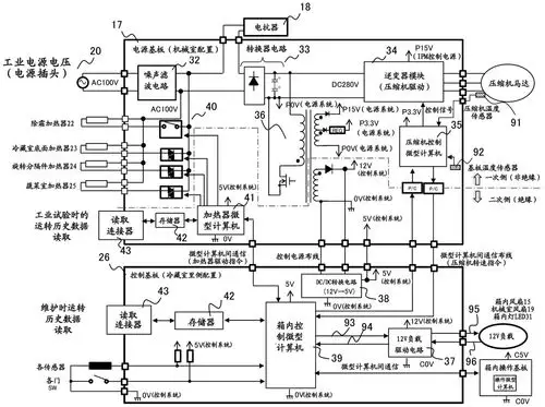
电冰箱电路图
下载原图
相关图片
南极直冷式冰箱电路图-单片机综合电路图-电子产品世界
haier海尔bcd-166tawl电冰箱电路原理图
冰箱
西冷派牌bcd-162电冰箱-电路图-aet-中国科技核心期刊-最丰富的电子
急求容声冰箱bcd-190w电路图
南极直冷式冰箱电路图-单片机综合电路图-电子产品世界
为你推荐
tiffanyco蒂芙尼经典tiffanyt系列18k金金t形图案wire戒指指环grp077
六场跨年晚会江苏湖南东方北京浙江b站
盘点动漫中的光头人物,是光头也是强者和智者!_实力_亚尔_吉克
女生大腿蛇盘牡丹纹身图片_腿部点刺纹身图案(2)_河南省南阳市纹身店
回顾世界上名贵的前5大名马汗血马居然排不进前二第一名价值4亿
7.6学生作品《台灯》
大时代 第28集 丁家公司刚上市就被追击,一天损失了六千万!
华为emui 10和11可更新清单出炉,你的手机在列吗?