图知网
搜索
首页
热门推荐
图片分类
全民营养周 | "盐"防"盐"控,警惕这些隐形盐_北京日报app新闻
下载原图
相关图片
哪种调料含盐多?看看你猜的准不准
卡通盐剪贴画
卡通盐贴纸
盐多必失今天你控盐了吗
食盐配料矢量图
最新食盐科普get√起来!
为你推荐
今日份节目单推送,12月31日, 只要一直奔跑在追逐梦想的道路上,就无关
六代目火影旋涡鸣人个人超酷电脑壁纸图片下载火影忍者鸣人
明星真人壁纸
蛋糕网红女王皇冠玫瑰玫瑰花花仙子模型2022新款仿真水果
博主 @数码闲聊站 再次爆料称,"find x5三款新机代号陆吾,谛听和白泽
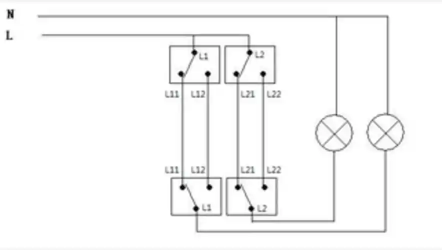
二开双控就是一孙握个开关面板上面集成了2个双控开关.
靛的解释 diàn1 一种深蓝色有机染料,称"靛蓝"亦称"靛青""蓝靛"2
手绘 #绘画 #环太平洋 #暴风赤红 一支笔挑战环太平洋,暴风赤红